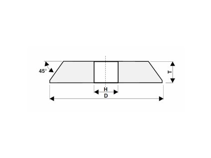
Brúsne kotúče s jednostranným skosením na brúsenie píl, Tvar 1, profil C
Meistverkauft
Produktsortierung
26 Artikel insgesamt
Liste der Produkte
Geliefert bis 24 Std.
D0A2F8BF-A50C-4F4A-8D81-E812834869BE


